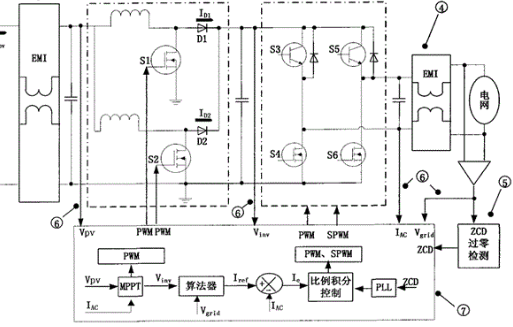
作為一名電子工程師,經常在研究電路的時候會碰到一些國外的元器件不知道在國內有沒有比較好的代用產品。今天我們來談談300W逆變器經常使用的一款場效應管:IRF840,是否有比較優質的代用型號呢?
逆變器作為一種將低壓(12V、24V、48V)直流電轉變為220V交流電的產品。在生活中由于我們經常是將220V交流電整流變成直流電來作用于產品使用,而逆變器的作用與此相反,故而得名。實際上現在在國內已經有一款型號為:FHP840場效應管是可以替代IRF840應用于300W逆變器后級電路中的。
目前這一款FHP840場效應管的通態電阻是0.8歐,在應用特點上面能夠符合低電荷、低反向傳輸電容、開關速度快、大芯片、耐過載沖擊的幾大特點促使在參數特點上面能夠與IRF840場效應管媲美,并完成替換使用。
FHP840除了廣泛使用在300W逆變器后級電路中,導通電阻0.8歐場效應管批發還能使用在DC-AC電源轉換器、DC-DC電源轉換器、高壓H橋PWM馬達驅動三款產品中。
作為一個N溝道增強型高壓功率MOS場效應管,它在使用方面不僅能匹配型號為IRF840的國外場效應管,還能代用9N50、TK8A50D型號的場效應管。
FHP840的詳細參數:封裝形式是TO-220、TO-220F,導通電阻0.8歐場效應管批發腳位排列位GDS。這款場效應管參數:Vgs(±V):30;VTH(V):2-4;ID(A):9;BVdss(V):500。
飛虹致力于半導體器件、集成電路、功率器件的研發、生產及銷售,至今已經有33年半導體行業經驗以及18年研發、制造經驗。目前飛虹產品已經在開關電源、逆變器、電動車、LED照明、家電、鋰電保護、電機控制器獲得廣泛應用,幫助合作伙伴解決符合國情、符合國際質量的國內優質產品。除提供免費試樣外,更可根據客戶需求進行量身定制MOS管產品。
直接百度輸入“飛虹MOS管廠家”即可找到我們,免費試樣熱線:400-831-6077。
熱門標簽:導通電阻0.8歐場效應管批發
返回頂部
400-831-6077
在線留言